留言咨詢
産品手冊
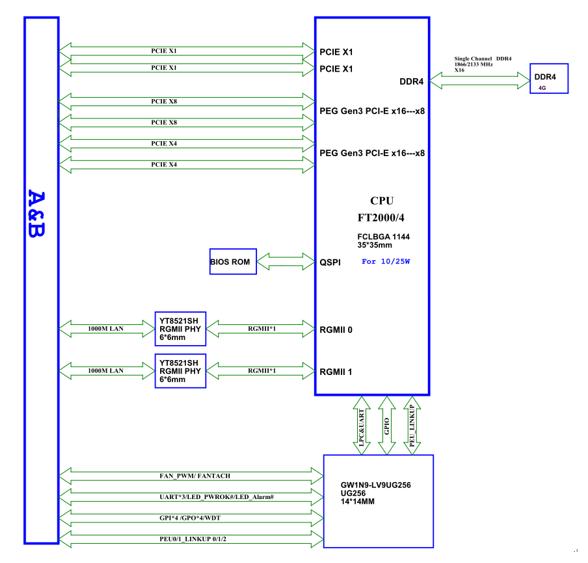
飛(fēi)騰FT2000/4 NANO模塊是一(yī)款基于飛(fēi)騰FT2000/4處理器(qì)設計的全國(guó)産主闆模塊,功耗低(dī)、安全性高(gāo)。該模塊采用COME連接器(qì),連接器(qì)采用插入式接觸,采用螺釘加固安裝,高(gāo)抗震動、抗擊性,模塊通(tōng)過底闆引出豐富的外圍接口。該模塊尺寸為(wèi)84mm x 75mm,闆載配置DDR4 4GB内存顆粒。COME連接器(qì)上(shàng)分别引出了2組 PCIe X8, 2組PCIe X4,2組 PCIe X1,支持 2 路(lù) 10/100/1000M 自(zì)适應網絡,4 路(lù) TTL 串口,4 路(lù) GPI,4 路(lù) GPO。
特點
國(guó)産飛(fēi)騰FT-2000/4 四核處理器(qì),主頻2.2GHz
4GB DDR4 表貼内存
高(gāo)安全、高(gāo)可靠性
全國(guó)産化
序号 | 項目 | 内容 |
1 | 符合規格 | COM Express® Mini |
2 | 尺寸大小(xiǎo) | 84mm×75mm x 8mm(長(cháng) X寬 X高(gāo)) |
3 | CPU | FT-2000/4,四核@2.2GHz |
4 | 内存 | 闆載 4GB内存顆粒 |
5 | 網絡 | 闆載 2 路(lù) 10/100/1000M 自(zì)适應網絡信号 |
6 | 風扇控制 | 預留風扇控制和測速接口 |
7 | PCIe 接口支持 | 2組 PCIe X8 2組 PCIe X4 |
8 | 串口 | 3路(lù) TTL串口,含1路(lù)系統調試,2路(lù)通(tōng)信口 |
9 | GPIO | 4路(lù) GPI 4路(lù) GPO |
10 | LED | 1個(gè)電(diàn)源指示燈信号 1個(gè)系統故障燈信号 |
11 | 看(kàn)門(mén)狗 | 1路(lù)看(kàn)門(mén)狗 |
12 | 電(diàn)源 | 12VDC |
13 | 功耗 | 典型功耗≤10W |
14 | 工(gōng)作溫度 | -40℃~+85℃ |
15 | 存儲溫度 | -55℃~+125℃ |
主控器(qì)系統結構框圖
